![]() |
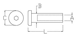
SLIMELINE FLAT HEAD RECEIVER
![]() |
![]() |
|
ITEM |
A |
B |
C |
L |
WT (LB) |
|
7823S-06 |
1/4"-20 |
0.31" |
0.50" |
1.76" |
0.02 |
TO USE WITH 7701S-HS-0630 FOR 1/8" CABLE OR 7701S-HS-0605 FOR 3/16" CABLE.
SLIMLINE STUD
![]() |
![]() |
|
ITEM |
A (CABLE SIZE) |
B |
L |
AFTER SWAGE |
WT (LB) |
|
7701S-HS-0630 |
1/8" |
1/4"-20 |
2.72" |
0.185" |
0.019 |
|
7701S-HS-0605 |
3/16" |
1/4"-20 |
2.95" |
0.245" |
0.032 |
CAN BE HAND SWAGE AND MACHINE SWAGE.
RECOMMENDED TO USE WITH 7823S-06 OR 7833S-06
